内燃动力智能控制算法挑战赛
比赛练习平台发布通知
为凝聚社会各界智力资源,促进产学研、跨学科、跨领域的合作与人才培养,助力内燃动力行业关键共性控制难题突破与产业革新,由中国内燃机学会主办,中国内燃机学会内燃动力智能技术分会承办的“内燃动力智能控制算法挑战赛”将于2022年10月在天津举行。
挑战赛由仿真测试与汇报答辩两大环节组成,设置金奖、银奖、铜奖等奖项,并设奖金。首届比赛题目设定为“增压直喷发动机空气系统智能控制算法”,采用模型在环仿真形式,量化评测各赛队算法的控制精度、响应速度、抗干扰能力等综合指标,并兼顾计算和标定复杂性。
为便于参赛队伍熟悉比赛所用的模型在环仿真平台和对象模型特性,现将比赛所用的练习平台和对象模型发布说明如下,组委会将依据参赛队伍的报名信息,陆续发送该比赛练习平台至参赛队伍邮箱。
模型在环仿真平台
模型在环仿真使用Mathworks的ML/SL工具平台,对象模型以S-function的形式,提供输入输出接口,参赛队伍在ML/SL搭建控制策略,与该对象模型S-function实现模型在环仿真。具体的操作流程如下:
1)把组委会提供的文件夹加入到MATLAB文件的set path路径下。具体操作如图1所示:

图1 仿真路径设置方法-1
2)将MATLAB的工作路径指向到组委会提供的文件夹。如图2所示:

图2 工作路径设定方法-2
3)直接打开文件夹中的*.slx文件,如图3所示。

图3 打开*.slx文件
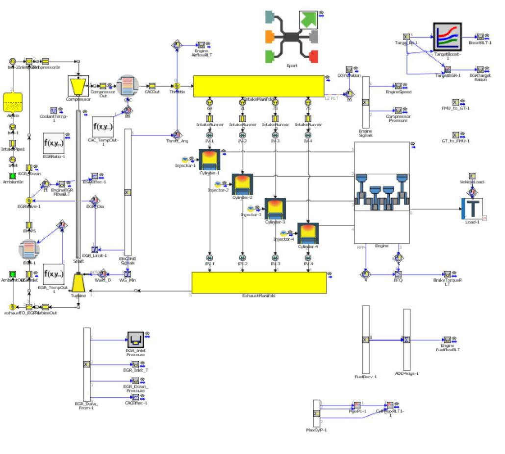
被控对象模型
发动机对象模型为一台1.5T增压发动机,其空气系统配置为,电子节气门、低压废气再循环系统(LP-EGR)、电控废气门涡轮增压。

图3 被控发动机模型


该对象模型的传感器信号输出和执行器控制输入分别为:
传感器信号输出:
l 进气歧管压力 /bar
l 增压压力(压气机后压力) /bar
l 节气门开度 %
l EGR阀开度 %
l 增压废气放气阀开度 %
l EGR阀上游压力 /bar
l EGR阀下游压力 /bar
l EGR阀上游温度 /K
l 进气中冷器出口温度 /K
l 进气歧管温度 /K
l 进气氧浓度(进气歧管氧传感器) %
l 进气流量(空滤后的进气流量传感器) kg/h
l 发动机平均转速(循环内) r/min
执行器控制输入:
l 节气门目标开度 %
l EGR阀目标开度 %
l 增压废气放气阀目标开度 %
发动机对象模型给定各运行工况下的目标增压压力和目标EGR率,随后发送各赛队。
发动机的运行边界(负荷与转速)和工况运行目标,是由该发动机联合一台虚拟整车模型运行某测试循环得到,即一段随时间变化的发动机负荷和转速曲线。该发动机模型在仿真过程中将被设定为“负荷模式”,负载由模型边界条件给定(与测试循环相关)。
控制考核的目标为,发动机的空气系统运行实际参数对目标值的跟随情况,主要涉及进气量、增压压力、EGR率。

联系人:
1) 赛题与规则联系人:李乐 13820361790
2) 赛队报名联系人:章振宇 13810848761
3) 比赛细则联系人:李雁飞 18618142356
4) 比赛总联系人:宋康 17526958480